1
/
of
4
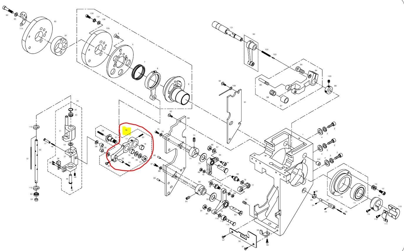
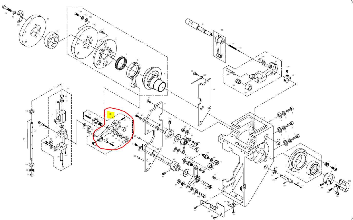
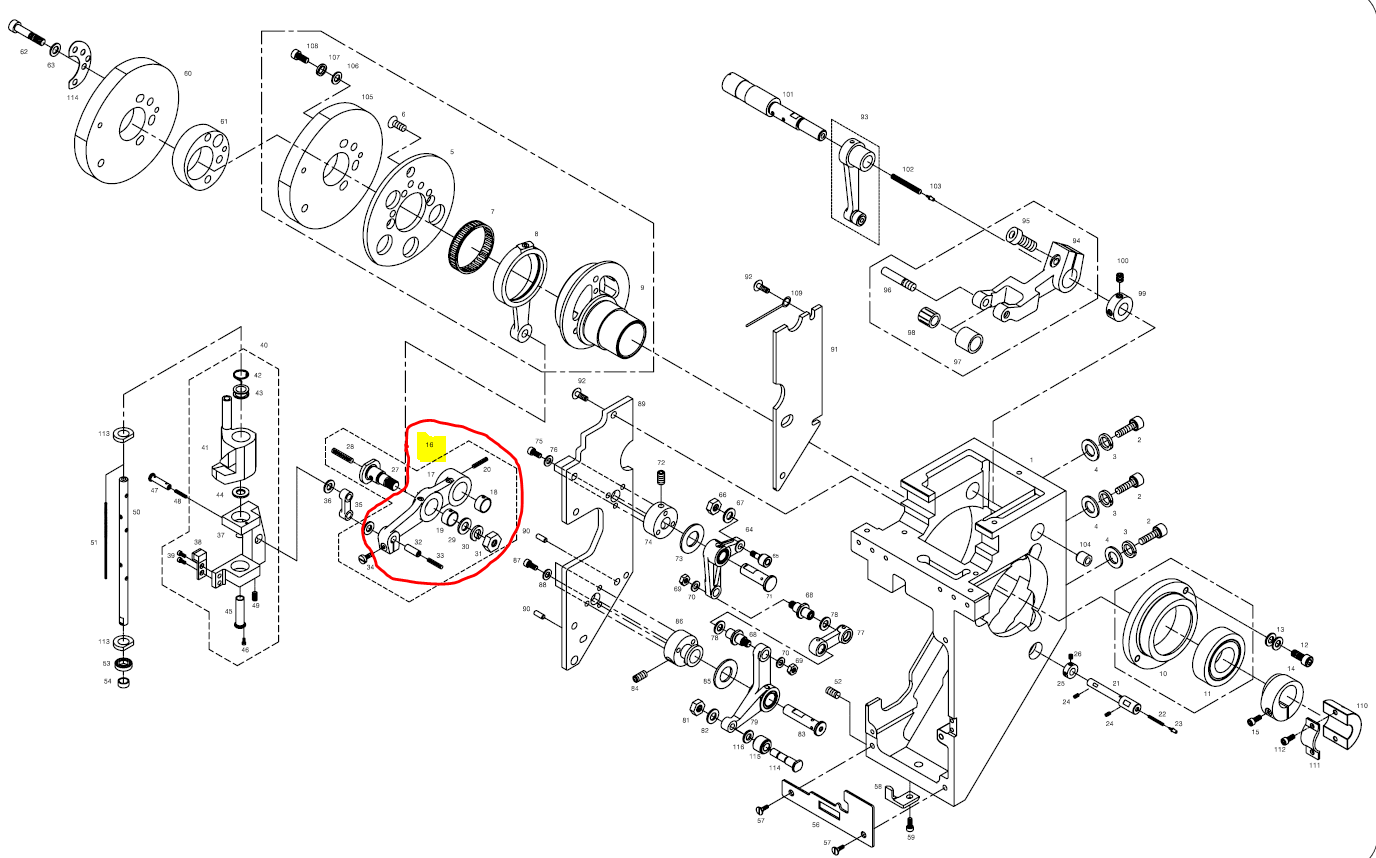
03313200H000
SWF_NEEDLE BAR DRIVING LEVER (SET) @20 (23.2)
SWF_NEEDLE BAR DRIVING LEVER (SET) @20 (23.2)
Regular price
$106.81 USD
Regular price
Sale price
$106.81 USD
Unit price
/
per
Couldn't load pickup availability
Part No. 03313200H000, Genuine SWF NEEDLE BAR DRIVING LEVER (SET) @20 (23.2)
Old No. AS-000423-00
SW/C,E-Tubluar Series 2~8 Head Machines.
Share



