1
/
of
2
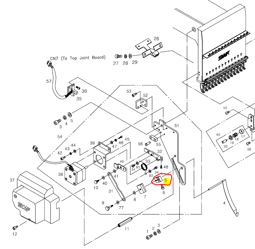
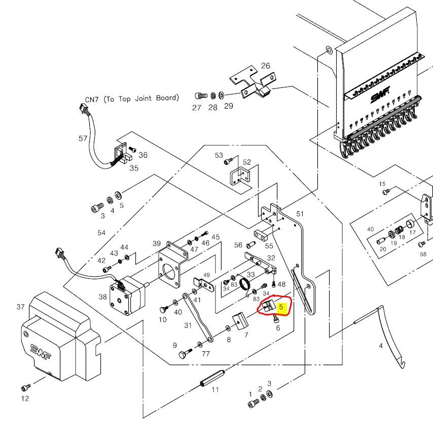
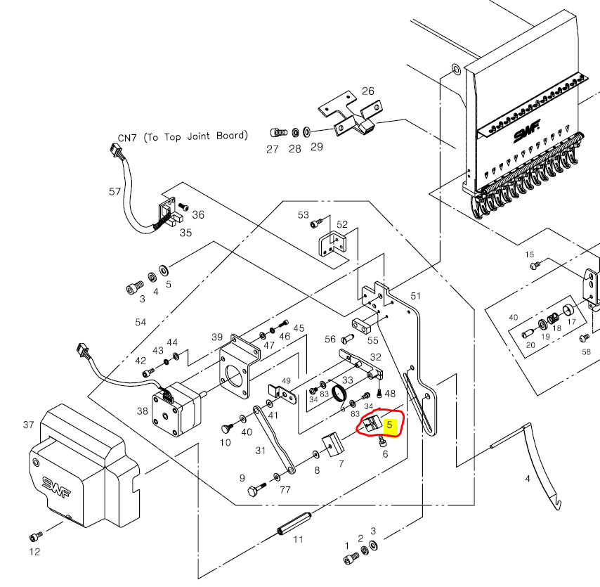
09006AD-T121
SWF_POSITIONING COLLAR BRACKET
SWF_POSITIONING COLLAR BRACKET
Regular price
$16.15 USD
Regular price
Sale price
$16.15 USD
Unit price
/
per
Couldn't load pickup availability
Part No. 09006AD-T121, Genuine SWF_POSITIONING COLLAR BRACKET
SWF/E-Single Head Compact, Full Size.
Share

