1
/
of
2
CL-000375-00
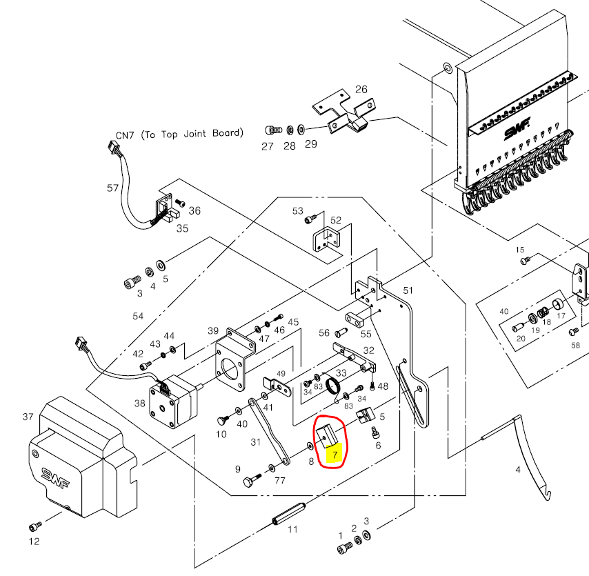
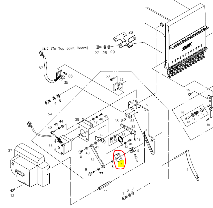
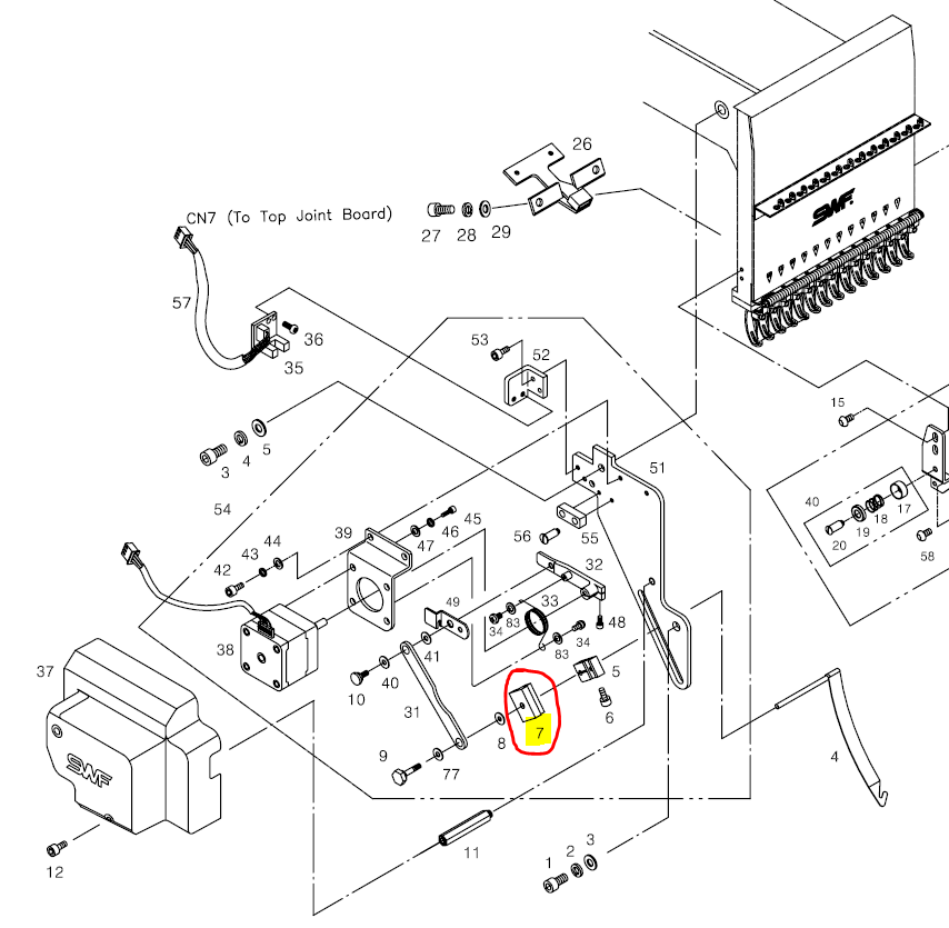
SWF_POSITIONING COLLAR_E-T1201C
SWF_POSITIONING COLLAR_E-T1201C
Regular price
$8.78 USD
Regular price
Sale price
$8.78 USD
Unit price
/
per
Couldn't load pickup availability
Part No. CL-000375-00, Genuine SWF_POSITIONING COLLAR_E-T1201C
SWF/A,B, E-Compact, Full size
Share

