1
/
of
3
16067ET-UK01
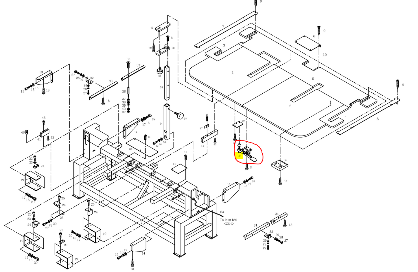
SWF_TABLE TOGGLE CLAMP
SWF_TABLE TOGGLE CLAMP
Regular price
$80.19 USD
Regular price
Sale price
$80.19 USD
Unit price
/
per
Couldn't load pickup availability
Part No. 16067ET-UK01, TABLE TOGGLE CLAMP
Support for work tabel.
Share


